氣動快裝球閥Q681F
Q681F-16P衛生級氣動球閥皆經過精密的檢驗流程和嚴格的品質管理。加工過程中,流道經過精密拋光和滅菌處理。密封圈為全封閉式緊緊包裹住閥球,無空間和死角。兩端為卡箍連接方便拆卸、清洗、維修工作原理也是通過氣動執行器90度的旋轉來帶動球體的旋轉以達到介質的流通與阻斷。
Q681F-16P衛生級氣動球閥皆經過精密的檢驗流程和嚴格的品質管理。加工過程中,流道經過精密拋光和滅菌處理。密封圈為全封閉式緊緊包裹住閥球,無空間和死角。兩端為卡箍連接方便拆卸、清洗、維修工作原理也是通過氣動執行器90度的旋轉來帶動球體的旋轉以達到介質的流通與阻斷。
Q681F-16P衛生級氣動球閥皆經過精密的檢驗流程和嚴格的品質管理。加工過程中,流道經過精密拋光和滅菌處理。密封圈為全封閉式緊緊包裹住閥球,無空間和死角。兩端為卡箍連接方便拆卸、清洗、維修工作原理也是通過氣動執行器90度的旋轉來帶動球體的旋轉以達到介質的流通與阻斷。
衛生級氣動球閥優點:
1. 流體阻力小,其阻力系數與同長度的管段相等。
2. 結構簡單、體積小、重量輕。
3. 緊密可靠,現球閥的密封面材料廣泛使用塑料、密封性好,在真空系統中也已廣泛使用。
4. 操作方便,開閉迅速,從全開到全關只要旋轉90°,便于遠距離的控制。
5. 維修方便,球閥結構簡單,密封圈一般都是活動的,拆卸更換都比較方便。
6. 在全開或全閉時,球體和閥座的密封面與介質隔離,介質通過時,不會引起閥門密封面的侵蝕
氣動快裝球閥結構圖:

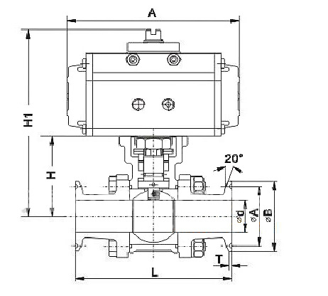
氣動快裝球閥尺寸圖:



上海氬澤控制閥門有限公司
滬公網安備31010702008283 滬ICP備2024073973號